服务热线:400-0536-008
            15725652777
产品分类
产品分类
 
联系方式
    永盈彩票
    地址:山东.潍坊.安丘市潍徐北路181号
    电话:0536-4330777
    传真:0536-4330778
    手机:15725652777  13516363848
    业务qq:894854211
    邮编:262100
    信箱:kedafrp@126.com
联系方式
 
栏目导航 栏目导航  

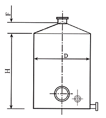
玻璃钢大型容器参数表

作者: 发布日期:2020-03-28

N\H\m3

150

200

300

400

500

600

700

800

900

1000

1200

1400

1600

1800

2000

2200

2400

2500

4600

9050

12060

                               

5000

7670

10220

                               

5500

6350

8450

12650

                             

6000

 

7100

10640

14180

                           

6500

 

6050

9070

12080

                           

7000

   

7830

10420

13020

                         

7500

   

6820

9080

11350

                         

8000

   

5990

7980

9970

11960

                       

8500

     

7080

8840

10600

12370

14130

                   

9000

     

6310

7880

9460

11030

12600

                   

950(I

       

7080

8490

9900

11310

12720

                 

10000

           

8940

10220

11490

12760

15310

             

11000

               

9500

10550

12650

14760

           

12000

                   

10670

12410

14180

15950

       

13000

                   

9070

10570

12080

13590

15090

     

14000

                     

9120

10420

11720

13020

14320

   

15000

                       

9080

10220

11350

12480

13610

14180

 
 
首页关于永盈彩票新闻中心产品展示工程案例荣誉资质销售网络技术参数联系我们

永盈彩票 版权所有 地址:山东.潍坊.安丘市潍徐北路181号 企化网络
电话:0536-4330777 传真: 手机:15725652777 13516363848 信箱:kedafrp@126.com 百度统计 网站地图

营业执照公示

玻璃钢水箱,玻璃钢储罐,玻璃钢水箱价格,玻璃钢水箱厂家,玻璃钢储罐价格,玻璃钢储罐厂家,玻璃钢净化吸收塔,生物除臭设备,生物除臭滤池,一体化玻璃钢泵站,玻璃钢泵站